澳门游戏娱乐场棋牌
风风棋牌跑胡子最新版本
- ECSG电蒸汽发生器 E6-72M系列安装操作说明
- 棋牌平台EVC Turflow 换热器使用说明书
- 棋牌平台BT6-B 洁净型压力平衡式最全棋牌平台特点介绍
- 棋牌平台BCV1和BCV20 排污控制阀使用说明书
- 棋牌平台BC3250排污控制器安装使用说明书
联系我们
联系人:刘经理
手机:13295105805
电话:
邮箱:540329100@qq.com
地址:13295105805
棋牌平台SP7-20,SP7-21,SP7-22定位器
所属栏目:棋牌平台气动电动控制阀门
发布时间:2024-08-27
关注度:345次
简单介绍:棋牌平台SP7-20,SP7-21,SP7-22定位器简介:SP7-2 是具有通信功能的电气定位器,可安装于气动直行程或角行程执行器。它具有小巧紧凑的设计、模块化结构。定位器的控制参数全自动确定和自适应可以节省大量时间并优化控制行为。SP7-2定位器具有一个本地通信接口(LCI),这是SP7-20的标准配置。此外,它还提供“HART®通
棋牌平台SP7-20,SP7-21,SP7-22定位器简介:
SP7-2 是具有通信功能的电气定位器,可安装于气动直行程或角行程执行器。它具有小巧紧凑的设计、模块化结构。定位器的控制参数
全自动确定和自适应可以节省大量时间并优化控制行为。
SP7-2定位器具有一个本地通信接口(LCI),这是SP7-20的标准配置。此外,它还提供“HART®通信”选项,以便通过20 mA信号进行通信。两种通信均基于HART®协议。用户还可以选择HART®5或HART®7。
其他可用选项是带有PROFIBUS PA模块的SP7-21或带有基金会现场总线模块的SP7-22。
除了用于模拟位置设定点的输入之外,定位器还配备了一个数字输入,它可用于激活设备中的控制系统功能。数字输出允许您输出消息(报/故障)
应用
SP7-2*定位器可以用于任何符合NAMUR的执行器,包括以下所有的Spirax Sarco气动执行器:
BVA300角行程执行器
PN1600系列
PN9000系列
TN2000系列
SP7-20,SP7-21,SP7-22定位器技术参数:

SP7-20,SP7-21,SP7-22定位器尺寸:


SP7-20定位器选项:

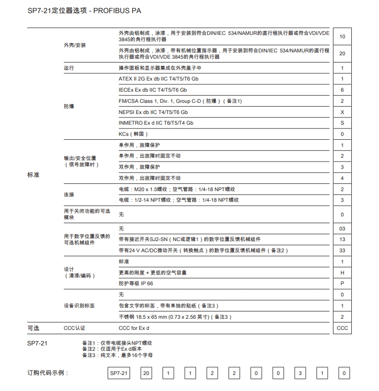
SP7-21定位器选项:

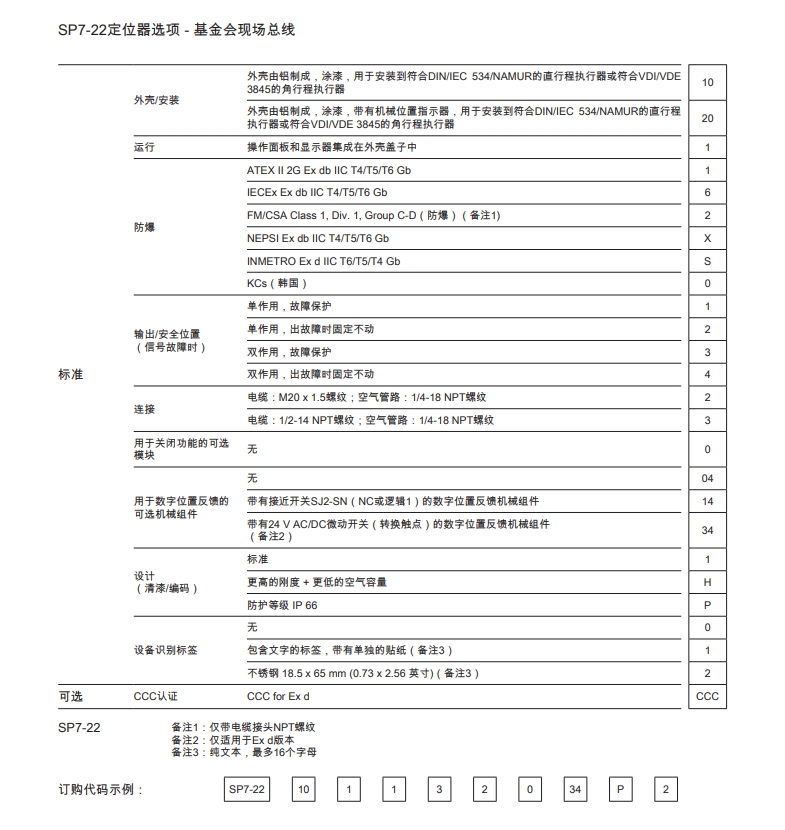
SP7-22定位器选项:

SP7-20,SP7-21,SP7-22定位器安装/连接组件:

- 上一篇:棋牌平台SP7-1定位器
- 下一篇:棋牌平台LCS3050用于单感应器的低液位开关

