澳门游戏娱乐场棋牌
风风棋牌跑胡子最新版本
- ECSG电蒸汽发生器 E6-72M系列安装操作说明
- 棋牌平台EVC Turflow 换热器使用说明书
- 棋牌平台BT6-B 洁净型压力平衡式最全棋牌平台特点介绍
- 棋牌平台BCV1和BCV20 排污控制阀使用说明书
- 棋牌平台BC3250排污控制器安装使用说明书
联系我们
联系人:刘经理
手机:13295105805
电话:
邮箱:540329100@qq.com
地址:13295105805
棋牌平台SP7-1定位器
所属栏目:棋牌平台气动电动控制阀门
发布时间:2024-08-26
关注度:428次
简单介绍:棋牌平台SP7-1定位器简介:SP7-1智能定位器可以控制任何由符合NAMUR的直行程或角行程气动执行器驱动的阀门。它保证了阀门行程与传给定位器的电输入信号值(mA)之间的精确比例性。SP7-1定位器外壳为压铸铝,可安装于室外。定位器可以安装在角行程为-57°至57°或直行程为-28°至28°的气动执行器上。定位器可选择带或不带安装
棋牌平台SP7-1定位器简介:
SP7-1智能定位器可以控制任何由符合NAMUR的直行程或角行程气动执行器驱动的阀门。它保证了阀门行程与传给定位器的电输入信号值(mA)之间的精确比例性。
SP7-1定位器外壳为压铸铝,可安装于室外。定位器可以安装在角行程为-57°至57°或直行程为-28°至28°的气动执行器上。
定位器可选择带或不带安装组件,用户在订购时必须指定类型。
定位器可选择带或不带压力表组件,用户在订购时必须指定类型。
定位器可接受的控制信号为mA信号,气源压力为1.4-6 bar。
SP7-1定位器也可以用于反作用控制。
SP7-1定位器具有一个本地通信接口(LCI),这是SP7-10的标准配置。此外,它还提供“HART®通信,以便通过20mA信号进行通信。用户还可以选择HART®5或HART®7。
其他可用选项是带有Profibus PA模块的SP7-11或带有基金会现场总线模块的SP7-22。
除了用于模拟位置设定点的输入之外,定位器还配备了一个数字输入,它可用于激活设备中的控制系统功能。数字输出允许您输出消息(警报/故障)。
空气供给
SP7-1定位器必须使用符合ISO 8573-1:2010 Class 3:3:3的高质量气源。
应用:
SP7-1定位器可以用于任何符合NAMUR的执行器,包括以下所有的Spirax Sarco气动执行器。
BVA300角行程执行器
PN1600系列
PNS3000和PNS4000系列
PN9000系列
TN2000系列
SP7-1定位器技术参数:

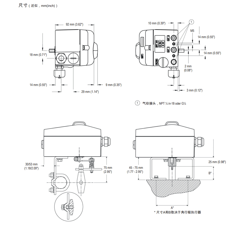
SP7-1定位器尺寸:



