澳门游戏娱乐场棋牌
风风棋牌跑胡子最新版本
- ECSG电蒸汽发生器 E6-72M系列安装操作说明
- 棋牌平台EVC Turflow 换热器使用说明书
- 棋牌平台BT6-B 洁净型压力平衡式最全棋牌平台特点介绍
- 棋牌平台BCV1和BCV20 排污控制阀使用说明书
- 棋牌平台BC3250排污控制器安装使用说明书
联系我们
联系人:刘经理
手机:13295105805
电话:
邮箱:540329100@qq.com
地址:13295105805
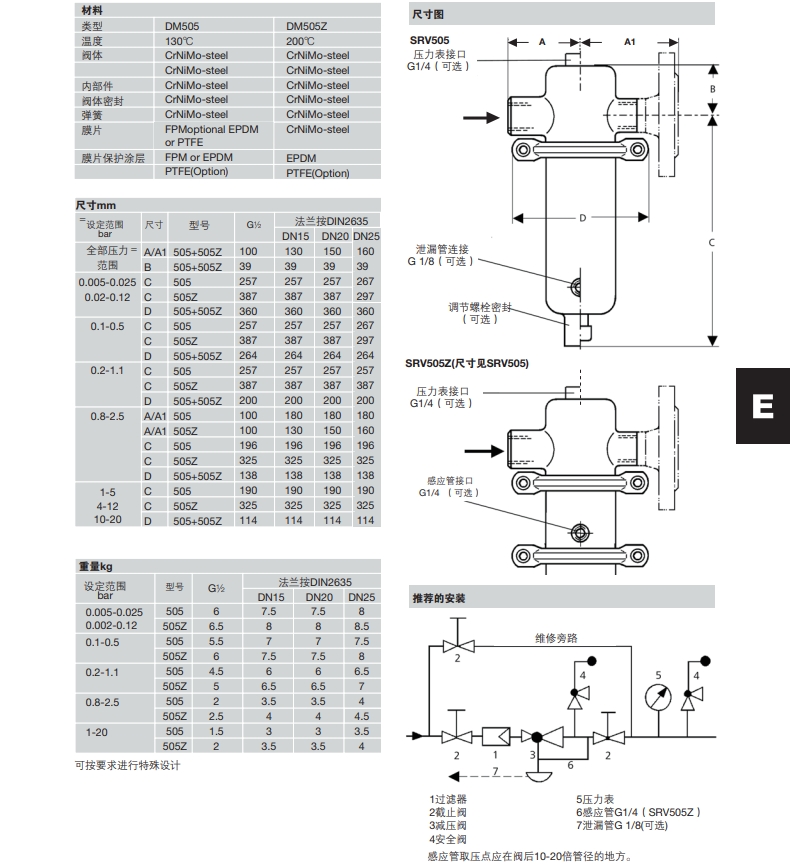
棋牌平台减压阀SRV505和SRV505Z
所属栏目:棋牌平台减压阀
发布时间:2024-09-13
关注度:338次
简单介绍:棋牌平台减压阀SRV505和SRV505Z简介:中等控制压力的减压阀是一种简单的控制阀,它提供精确的下游压力控制的同时也满足安装和维护简单的要求。它对阀下游压力的控制不需要任何气动或电动元件。SRV505减压阀是一种用于小流量的膜片控制的弹簧负载比例控制阀。SRV505采用深冲不锈钢工艺生产,具备优良的防腐蚀能力。阀体进口管
棋牌平台减压阀SRV505和SRV505Z简介:
中等控制压力的减压阀是一种简单的控制阀,它提供精确的下游压力控制的同时也满足安装和维护简单的要求。它对阀下游压力的控制不需要任何气动或电动元件。
SRV505减压阀是一种用于小流量的膜片控制的弹簧负载比例控制阀。SRV505采用深冲不锈钢工艺生产,具备优良的防腐蚀能力。阀体进口管状套管与阀座的流道相对应。软密封的阀芯有引导的与阀座配合,阀芯通过阀座周围马镫型装配与控制膜片连接。SRV505Z推荐的使用温度高达200℃,除了金属阀芯的密封和隔膜与阀体间的水冷热保护器,该阀在设计上都已经确认。
弹簧模块包括阀盖,弹簧,调节螺栓,膜片和内部件。它仅仅通过卡箍环和两个螺栓与阀体相连接。更换膜片或者由于不同的压力范围更换整个弹簧组建及其简单,不需要特殊的工具。该设计同样也可方便的用于检修。改变控制压力不影响阀体的高度(调节螺栓高度不增加)
SRV505Z需要一段导管(在现场安装)。如果出口压力低于1.1barg,SRV505同样也需要一根导管。这一类阀门没有确保阀门紧密关闭的切断元件。按照VDI/VDE 2174的要求,阀门在关闭位置时,出现该阀流通能力下0.5%的泄露率是被允许的。
标准:
全部不锈钢结构
不增加高度的调节螺丝
快速拆装的阀体卡箍环
导管连接(SRV505,当出口压力小于1.1barg)
选项:
压力表接口
对于有毒有害的介质,可提供带泄露管连接的完全密封的阀帽(包括密封的调节螺栓)。必须连接泄露管,并能安全和无压力的泄放介质。
可提供多种适合你材质的膜片和密封材料
多种连接方式:无菌的,DIN或者ANSI法兰,套管式;其他要求的连接
可按要求定制

技术数据:
法兰连接: DN15-DN25
螺纹连接: G½
名义压力PN: 250barg
进口压力: 最大250barg
出口压力: 0.005-20barg
Kvs值: 0.2-0.9
温度: SRV505 130°C
SRV505Z 200°C
减压阀SRV505和SRV505Z尺寸/重量:

- 上一篇:棋牌平台WS4水封罐
- 下一篇:没有了!


