澳门游戏娱乐场棋牌
风风棋牌跑胡子最新版本
- ECSG电蒸汽发生器 E6-72M系列安装操作说明
- 棋牌平台EVC Turflow 换热器使用说明书
- 棋牌平台BT6-B 洁净型压力平衡式最全棋牌平台特点介绍
- 棋牌平台BCV1和BCV20 排污控制阀使用说明书
- 棋牌平台BC3250排污控制器安装使用说明书
联系我们
联系人:刘经理
手机:13295105805
电话:
邮箱:540329100@qq.com
地址:13295105805
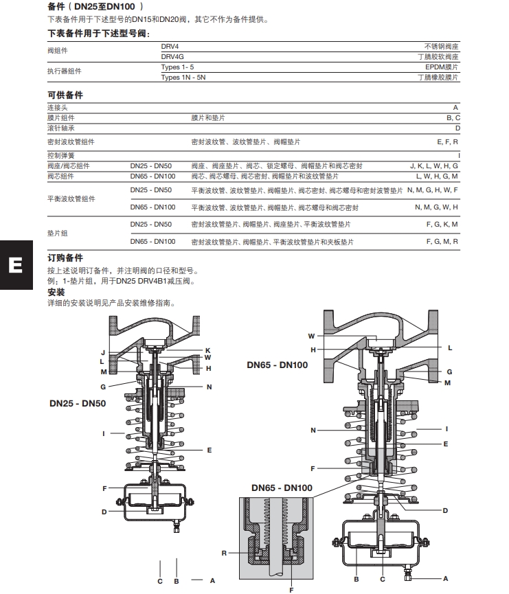
棋牌平台DRV4和DRV4G减压阀
所属栏目:棋牌平台减压阀
发布时间:2024-09-04
关注度:359次
简单介绍:棋牌平台DRV4和DRV4G减压阀简介:DRV4直接作用式减压阀,铸钢阀体,波纹管密封。DRV7和DRV7G 球墨铸铁减压阀,标准型号为EPDM膜片,适用于蒸汽、水和压缩空气系统。DRV4也可提供丁腈橡胶材质膜片(后缀“N”)应用于油系统。(也可提供)丁腈橡胶软阀座型(后缀“G”温度限制在90℃)以提供紧密关闭。当使用此种型号时,建议最大减压比为10:1。注意:应用于
棋牌平台DRV4和DRV4G减压阀简介:
DRV4直接作用式减压阀,铸钢阀体,波纹管密封。标准型号为EPDM膜片,适用于蒸汽、水和压缩空气系统。DRV4也可提供丁腈橡胶材质膜片(后缀“N”)应用于油系统。(也可提供)丁腈橡胶软阀座型(后缀“G”温度限制在90℃)以提供紧密关闭。当使用此种型号时,建议最大减压比为10:1。DRV7和DRV7G 球墨铸铁减压阀
注意:应用于蒸汽系统时,为了保护执行器膜片,在下游应安装WS4水封罐并由引压管道连接至执行器。
DRV4和DRV4G减压阀技术参数:

DRV4和DRV4G减压阀零件材质:

DRV4和DRV4G减压阀结构图:

DRV4和DRV4G减压阀型号选择:


DRV4和DRV4G减压阀尺寸:

- 上一篇:棋牌平台DP27减压阀系列
- 下一篇:棋牌平台LRV2B和LRV2S减压阀


