澳门游戏娱乐场棋牌
风风棋牌跑胡子最新版本
- ECSG电蒸汽发生器 E6-72M系列安装操作说明
- 棋牌平台EVC Turflow 换热器使用说明书
- 棋牌平台BT6-B 洁净型压力平衡式最全棋牌平台特点介绍
- 棋牌平台BCV1和BCV20 排污控制阀使用说明书
- 棋牌平台BC3250排污控制器安装使用说明书
联系我们
联系人:刘经理
手机:13295105805
电话:
邮箱:540329100@qq.com
地址:13295105805
棋牌平台Turflow管壳式换热器VEP和VES系列
所属栏目:棋牌平台温度控制系统
发布时间:2024-11-28
关注度:366次
简单介绍:棋牌平台Turflow管壳式换热器简介:Turflow系列高效换热器由固定管板、单程直管、壳体和波纹管膨胀节组成。该标准产品完全是由不锈钢组成,管程也符合AISI 316标准。产品不含垫圈(除管道连接外),也没有喷漆的组件。波纹直管换热表面针对低粘度流体和湍流工况设计。完全不同于其他管壳式换热器,这款新的细管结构设计保证
棋牌平台Turflow管壳式换热器简介:
Turflow系列高效换热器由固定管板、单程直管、壳体和波纹管膨胀节组成。该标准产品完全是由不锈钢组成,管程也符合AISI 316标准。产品不含垫圈(除管道连接外),也没有喷漆的组件。
波纹直管换热表面针对低粘度流体和湍流工况设计。完全不同于其他管壳式换热器,这款新的细管结构设计保证在特定热负荷(相较于相同体积)工况下最佳性能,提高了换热效率。
加热介质(蒸汽、导热油、乙二醇等)通常走壳程,被加热介质通常走管程。顺流和逆流都可以,可以水平或垂直安装。
管板为整体设计,可以与系统管道连接。它们设计有带堵头的特殊螺纹孔,可用作排污和放空。
标准
Vep系列换热器的设计和制造完全符合Raccolta VSR Revisione 1995 Edizione 99” 标准和 “PressureEquipment Directive”97/23/CE.,如果需要可带标志 。
根据PED 97/23/CE的第3.1章节,介质分类已是最大设计,
包括2类流体(非危险流体)和1类导热油(危险流体)。
Vep系列换热器完全由棋牌平台集团的意大利工厂制造。
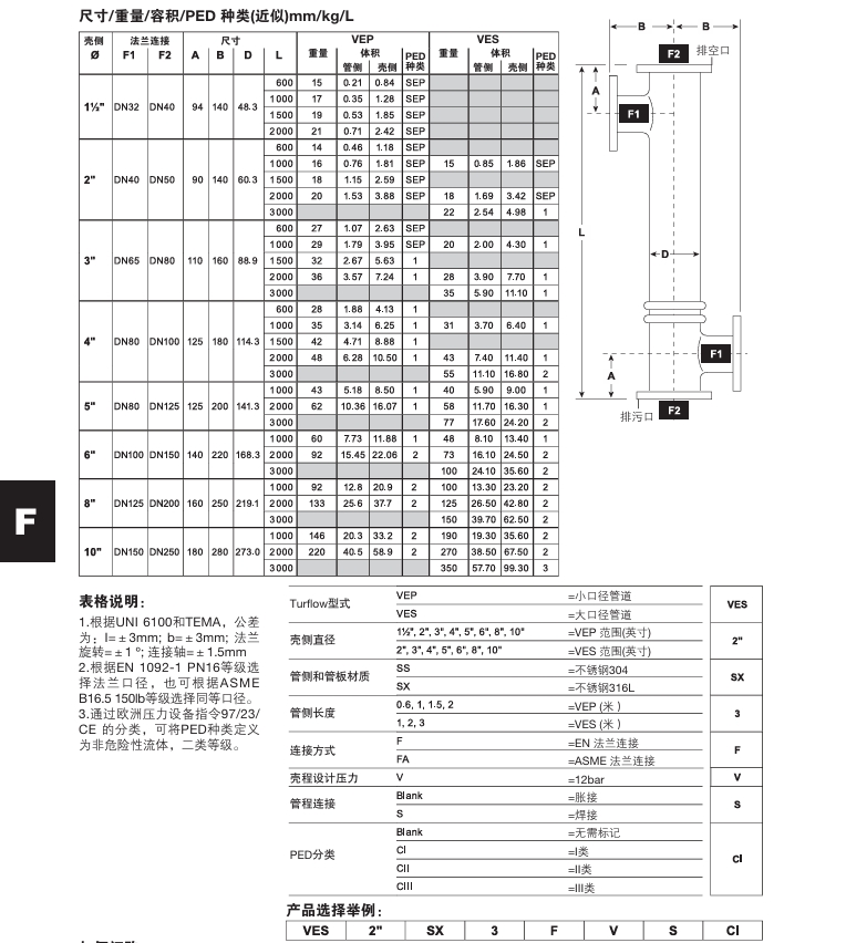
棋牌平台Turflow管壳式换热器技术参数:

:棋牌平台Turflow管壳式换热器尺寸重量

- 上一篇:棋牌平台换热器EVC系列-废汽冷凝器
- 下一篇:棋牌平台蒸汽引射器SJT

