澳门游戏娱乐场棋牌
风风棋牌跑胡子最新版本
- ECSG电蒸汽发生器 E6-72M系列安装操作说明
- 棋牌平台EVC Turflow 换热器使用说明书
- 棋牌平台BT6-B 洁净型压力平衡式最全棋牌平台特点介绍
- 棋牌平台BCV1和BCV20 排污控制阀使用说明书
- 棋牌平台BC3250排污控制器安装使用说明书
联系我们
联系人:刘经理
手机:13295105805
电话:
邮箱:540329100@qq.com
地址:13295105805
棋牌平台M21Si ISO和M21Vi ISO球阀
所属栏目:棋牌平台球阀
发布时间:2024-11-05
关注度:378次
简单介绍:棋牌平台M21Si ISO和M21Vi ISO球阀简介:棋牌平台M21Si和M21Vi为缩小通径一体式球阀,标准的ISO安装可用于大多数的工业流体,只能作隔离阀使用,不能用作控制阀。可供型号M21Si2 IS0 镀锌钢阀体,PDR 0.8阀座M21Si3 ISO 不锈钢阀体,PDR0.8阀座M21Vi2 IsO 镀锌钢阀体,PTFE阀座M21Vi3
棋牌平台M21Si ISO和M21Vi ISO球阀简介:
棋牌平台M21Si和M21Vi为缩小通径一体式球阀,标准的ISO安装可用于大多数的工业流体,只能作隔离阀使用,不能用作控制阀。
可供型号
M21Si2 IS0 镀锌钢阀体,PDR 0.8阀座
M21Si3 ISO 不锈钢阀体,PDR0.8阀座
M21Vi2 IsO 镀锌钢阀体,PTFE阀座
M21Vi3 ISO 不锈钢阀体,PTFE阀座
棋牌平台M21Si ISO和M21Vi ISO球阀技术参数:

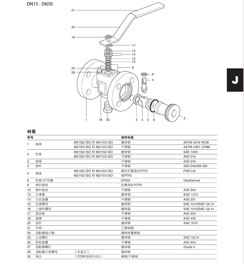
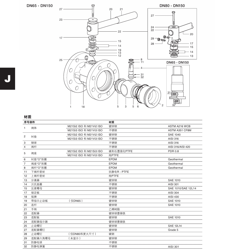
棋牌平台M21Si ISO和M21Vi ISO球阀材质:

棋牌平台M21Si ISO和M21Vi ISO球阀材质:

棋牌平台M21Si ISO和M21Vi ISO球阀尺寸重量:

- 上一篇:棋牌平台M10V球阀-法兰式
- 下一篇:棋牌平台M31S ISO全通径球阀

