澳门游戏娱乐场棋牌
风风棋牌跑胡子最新版本
- ECSG电蒸汽发生器 E6-72M系列安装操作说明
- 棋牌平台EVC Turflow 换热器使用说明书
- 棋牌平台BT6-B 洁净型压力平衡式最全棋牌平台特点介绍
- 棋牌平台BCV1和BCV20 排污控制阀使用说明书
- 棋牌平台BC3250排污控制器安装使用说明书
联系我们
联系人:刘经理
手机:13295105805
电话:
邮箱:540329100@qq.com
地址:13295105805
棋牌平台气动执行器PN9000
所属栏目:棋牌平台气动电动控制阀门
发布时间:2024-08-19
关注度:267次
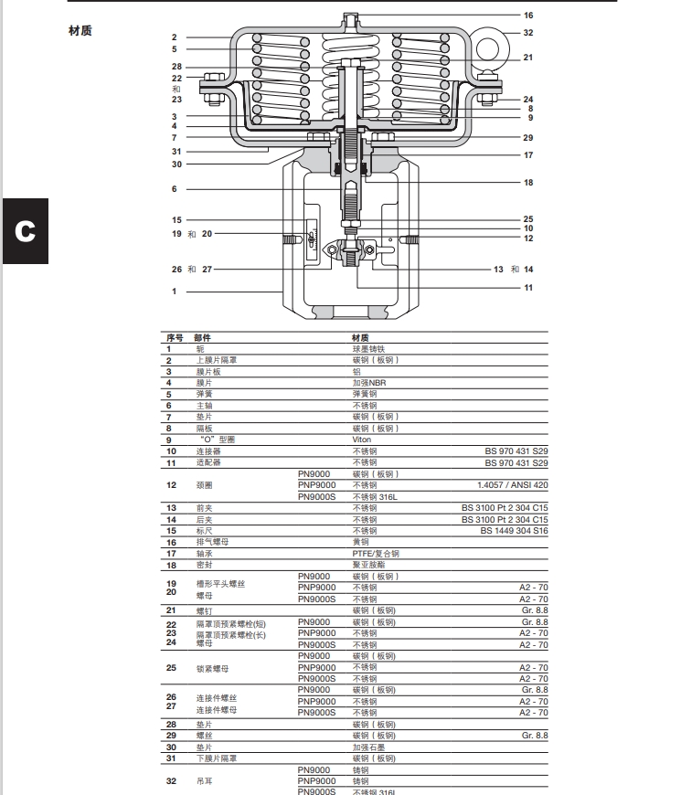
简单介绍:棋牌平台气动执行器PN9000简介:PN9000系列执行器是一种结构紧凑的线性执行器,适用于SPIRA-TROL系列控制阀,可提供三种尺寸的型号。三种膜片尺寸可满足不同压差的需求。每个执行器都装有机械行程指示,全滚动膜片为执行器在操作行程内提供了良好的线性度。气动执行器PN9000结构参数:气动执行器PN9000零件材质:气动执行器
棋牌平台气动执行器PN9000简介:
PN9000系列执行器是一种结构紧凑的线性执行器,适用于SPIRA-TROL系列控制阀,可提供三种尺寸的型号。三种膜片尺寸可满足不同压差的需求。
每个执行器都装有机械行程指示,全滚动膜片为执行器在操作行程内提供了良好的线性度。
气动执行器PN9000结构参数:

气动执行器PN9000零件材质:

气动执行器PN9000技术参数:

气动执行器PN9000选型指南:

- 上一篇:棋牌平台PN6700气动执行器
- 下一篇:棋牌平台PN9400气动控制器

