风风棋牌跑胡子最新版本
风风棋牌跑胡子最新版本
- ECSG电蒸汽发生器 E6-72M系列安装操作说明
- 棋牌平台EVC Turflow 换热器使用说明书
- 棋牌平台BT6-B 洁净型压力平衡式最全棋牌平台特点介绍
- 棋牌平台BCV1和BCV20 排污控制阀使用说明书
- 棋牌平台BC3250排污控制器安装使用说明书
联系我们
联系人:刘经理
手机:13295105805
电话:
邮箱:540329100@qq.com
地址:13295105805
阀门知识
棋牌平台TFA饱和蒸汽流量计使用说明书-安装维修指南
- 作者:棋牌平台
- 发布时间:2024-09-30
- 点击:167次
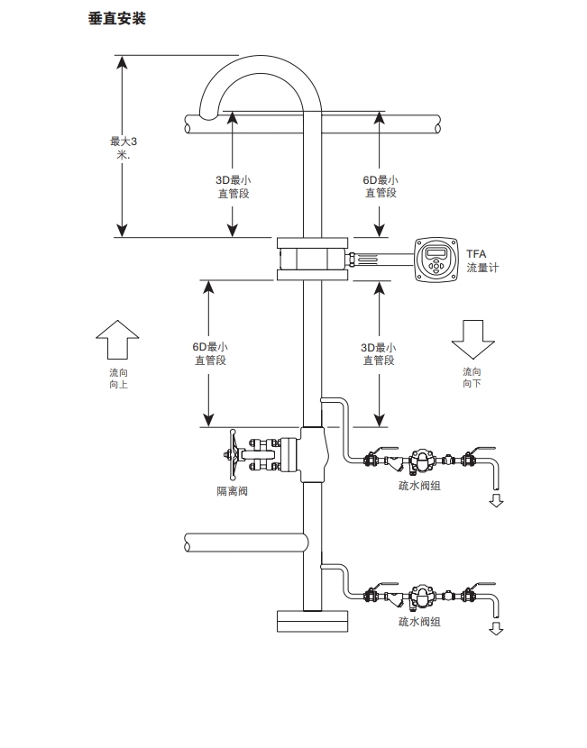
棋牌平台TFA流量计专用于饱和蒸汽,流量计工作原理为通过流体流量测量所产生的作用力,然后将该力转换为密度补偿的质量流量或功率,并通过单回路供电的4-20mA脉冲输出传输。TFA流量计也可提供累积功能和RS232通讯功能。
棋牌平台TFA饱和蒸汽流量计使用说明书内容比较多,本文是部分内容,TFA饱和蒸汽流量计使用说明书完整版可以点击查看:TFA饱和蒸汽流量计使用说明书






以上就是棋牌平台TFA饱和蒸汽流量计使用说明书部分内容的介绍,完整版请点击本文最上方,如果需要下载可以联系我们的技术人员提供。
新闻资讯
-
2025-06-23
ECSG电蒸汽发生器 E6-72M系列安装操作说明
-
2025-06-09
棋牌平台EVC Turflow 换热器使用说明书
-
2025-05-19
棋牌平台BT6-B 洁净型压力平衡式最全棋牌平台特点介绍
-
2025-04-28
棋牌平台BCV1和BCV20 排污控制阀使用说明书
-
2025-04-14
棋牌平台BC3250排污控制器安装使用说明书
-
2025-03-31
棋牌平台BC3150排污控制器安装使用说明书
