风风棋牌跑胡子最新版本
风风棋牌跑胡子最新版本
- ECSG电蒸汽发生器 E6-72M系列安装操作说明
- 棋牌平台EVC Turflow 换热器使用说明书
- 棋牌平台BT6-B 洁净型压力平衡式最全棋牌平台特点介绍
- 棋牌平台BCV1和BCV20 排污控制阀使用说明书
- 棋牌平台BC3250排污控制器安装使用说明书
联系我们
联系人:刘经理
手机:13295105805
电话:
邮箱:540329100@qq.com
地址:13295105805
阀门知识
棋牌平台eps定位器说明书
- 作者:棋牌平台
- 发布时间:2024-08-26
- 点击:466次
SPIRAX SARCO棋牌平台EPS电气式定位器适用于直行程执行器,坚固耐用,控制性能准确,有以下特点:
1,维修管理简单。
2,可以简单准确地设定量程和零点,
3,正作用反作用转换简单。
4,可以1/2 分程控制。
5,具有防腐涂层,结实耐用
6,结构坚固,抗冲击抗振动性能高
7,带不锈钢压力表。
8,如果装上小节流孔,在小型执行器上也可以无振荡地工作。
9,提供可以调整为80x30x20、80x30x30、130x30x20、130x30x30的多用型支架。
10,作为选项,可以内置用于得到位置反馈的 2个SPDT限位开关或用于输出4~20mA信号的位置变送器。
11,符合EN 50014:1997,EN50018:2000及EN50028:1987,取得了挪威NEMKO的ATEX Eex md l BT5认证(认证号05ATEX1076X)。
12,符合EN 61000-6-2:2001与EN 61000-6-4:2001,取得了RWTUV的EMC认证(认证号K1046/E04)
13,取得了KOSHA(韩国产业安全工团)的ExmdIBT6认证(认证号99-1075-Q1)
14,Exmd llCT6认证(认证号2000-1057-Q1)及ExialBT6认证(认证号2000-1056-Q1)
EPS定位器技术参数:

EPS定位器尺寸:

棋牌平台EPS定位器原理:

棋牌平台EPS定位器原理图:

棋牌平台EPS定位器安装:


棋牌平台EPS定位器调试:

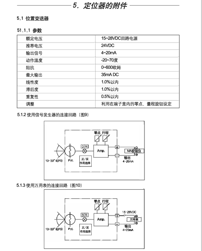
棋牌平台EPS定位器附件:


棋牌平台EPS定位器故障诊断:

新闻资讯
-
2025-06-23
ECSG电蒸汽发生器 E6-72M系列安装操作说明
-
2025-06-09
棋牌平台EVC Turflow 换热器使用说明书
-
2025-05-19
棋牌平台BT6-B 洁净型压力平衡式最全棋牌平台特点介绍
-
2025-04-28
棋牌平台BCV1和BCV20 排污控制阀使用说明书
-
2025-04-14
棋牌平台BC3250排污控制器安装使用说明书
-
2025-03-31
棋牌平台BC3150排污控制器安装使用说明书
